46 mtd mower sales deck
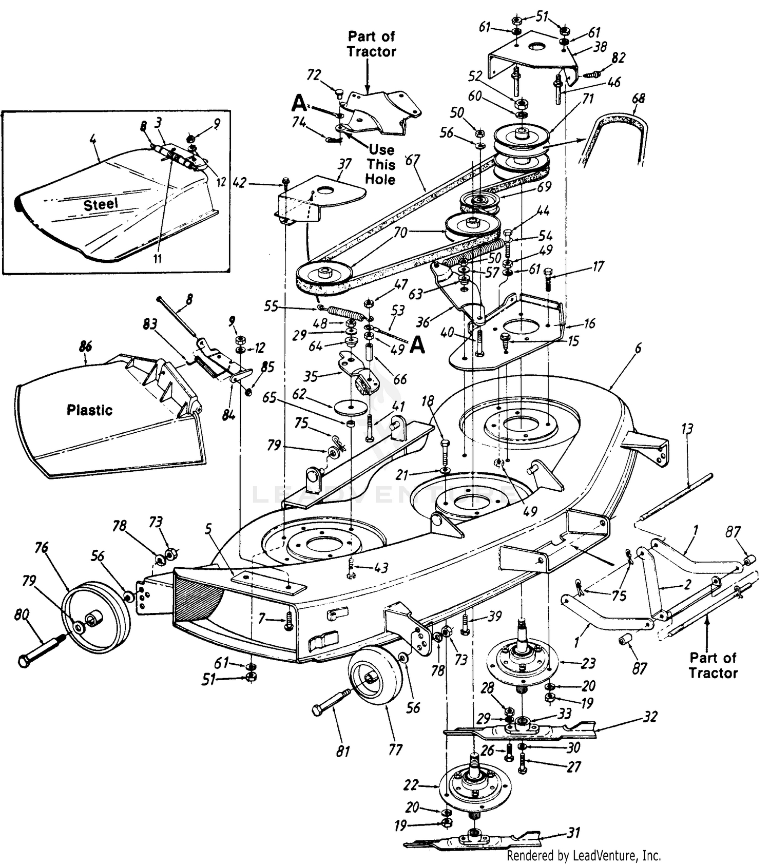
MTD 46 sales, MTD YARDMAN 18 46 46 sales, MTD 46 sales, MTD 13AL771H004 2009 Parts Diagram for Mower Deck 46 Inch sales, MTD 46 sales, MTD 13AO785T055 2013 Parts Diagram for Mower Deck 46 Inch sales, MTD 13AT696H190 LT 165 1997 Parts Diagram for 46 Inch Mowing sales, MTD 190 806 190 46 sales, MTD 13AU608H016 2000 Parts Diagram for 46 Inch Cutting Deck sales, MTD 130 800H000 1990 Parts Diagram for 46 sales, MTD 142 856H190 GT 180 1992 46 Inch Mower Deck sales, Riding Mower 46 inch Deck Belt Original Equipment Genuine Part OEM sales, MTD Yard Machine 20 46 46 sales, MTD Genuine Parts 46 in. Deck Lawn Mower Deck Drive Belt for sales, MTD 13AX795T004 MTD Gold Lawn Tractor 2013 Mower Deck 46 Inch sales, MTD 14BU836H190 GT 205 1998 Parts Diagram for Mower Deck 46 Inch sales, MTD 13AN771H729 2007 Parts Diagram for Deck Assembly 46 Inch sales, MTD Yard Machine 20 46 46 sales, MTD Yard Machine 20 46 46 sales, MTD 13AL795T004 2010 Parts Diagram for Mower Deck 46 Inch sales, MTD Yard Machine 20 46 46 sales, Riding Mower 46 inch Deck Belt CMXGZAM500057 MTD Parts sales, 8TEN Deck Rebuild Kit for White Outdoor 46 inch MTD Huskee Yard Machines LT 946G 4600H Blade Spindle Belt sales, Riding Mower 46 inch Deck Belt Original Equipment Genuine Part OEM sales, MTD 46 sales, Riding Mower 46 inch Deck Belt Original Equipment Genuine Part OEM sales, MTD 139 786 190 LGT 165 1989 46 Inch Mowing Deck Assembly sales, MTD 13AT915T004 2012 Parts Diagram for Mower Deck 46 Inch sales, MTD YARDMAN 18 46 46 sales, MTD decks by crigby Lawn mower maintenance Deck Riding mowers sales, How to change Upper drive belt Mowing deck on MTD mower sales, RZT 46 inch Deck Belt CMXGZAM501082 MTD Parts sales, MTD 46 Inch CREEPY CRAWLEY Part3 sales, MTD 46 sales, MTD 13AX795T004 2011 Mower Deck 46 Inch sales, Amazon 1x 747 05052A Lawn Tractor Blade Brake Rod 1x 983 sales, MTD 46 sales, 46 Inch deck Shell sales, How To Remove a Deck on a 46 MTD Yard Machine 17.5 Twin Briggs Stratton sales, MTD Yard Man 46 sales, MTD Yard Machines 18 46 Ride On Lawn Tractor Gas Mower Deck Not sales, Amazon 46 inch Mower Deck Belt Compatible with Troy Bilt MTD sales, 46 sales, MTD 13AN785T055 2014 Parts Diagram for Mower Deck 46 Inch sales, MTD 46 sales, MTD YARD MACHINES 46 sales, 3 in 1 Blade Set for 46 inch Cutting Decks sales, Amazon Set of Two Plastic Deck Wheels 32 sales, MTD 130 800H000 1990 Parts Diagram for 46 sales, MTD Yard Machines 46 sales.
-
Next Day Delivery by DPD
Find out more
Order by 9pm (excludes Public holidays)
$11.99
-
Express Delivery - 48 Hours
Find out more
Order by 9pm (excludes Public holidays)
$9.99
-
Standard Delivery $6.99 Find out more
Delivered within 3 - 7 days (excludes Public holidays).
-
Store Delivery $6.99 Find out more
Delivered to your chosen store within 3-7 days
Spend over $400 (excluding delivery charge) to get a $20 voucher to spend in-store -
International Delivery Find out more
International Delivery is available for this product. The cost and delivery time depend on the country.
You can now return your online order in a few easy steps. Select your preferred tracked returns service. We have print at home, paperless and collection options available.
You have 28 days to return your order from the date it’s delivered. Exclusions apply.
View our full Returns and Exchanges information.